キハ40・キハ47・キハ48説明書付図3/3 1979-3

2,420円(税220円)

無製本
ステープラー製本
サーマル製本
製本方法
購入数

下記商品を無製本で提供します。ステープラー製本・サーマル製本はオプションとなります。

タイトル : 「キハ40・47・48形式ディーゼル動車説明書(3/3)」
発行年月 : 1979年3月
発行元  : 国鉄車両設計事務所
元サイズ : A4縦・A3横
製本サイズ: A4縦
ページ数 : 220頁
掲載形式 :
 キハ40 100代・500代・2000代
 キハ47 0代・500代・1000代・1500代
 キハ48 500代・1500代

■■■■ 資料説明
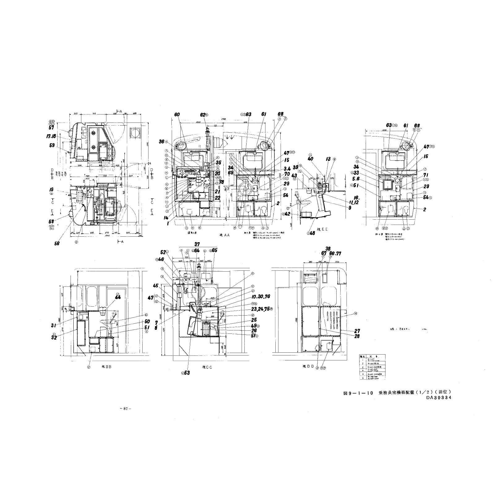
昭和51年時点で10代気動車が製造後20年以上経過しているにもかかわらず、700両が使用されているため、これらの老朽気動車を置き換える目的で北海道用には両運転台トイレ付きのキハ40、本州・四国・九州向けには片運転台トイレ付きのキハ47を製造することになった。
従来車との混結など様々な点を留意した結果、車体重量が大きくなり機関は220PSを用いることとなった。
その後キハ40の片運転台車キハ48が増えた他、トイレあり・なしで番号区分が変わることとなり少し複雑な番号体系となったが、とりまとめて説明をしています。
本書はキハ40グループの説明書・付図となりますが、53年1次債務車までの設計変更点なども記載されており、キハ40系列研究にはなくてはならない資料ではないかと思います。

■■■■ 構成
8章 空気ブレーキ装置
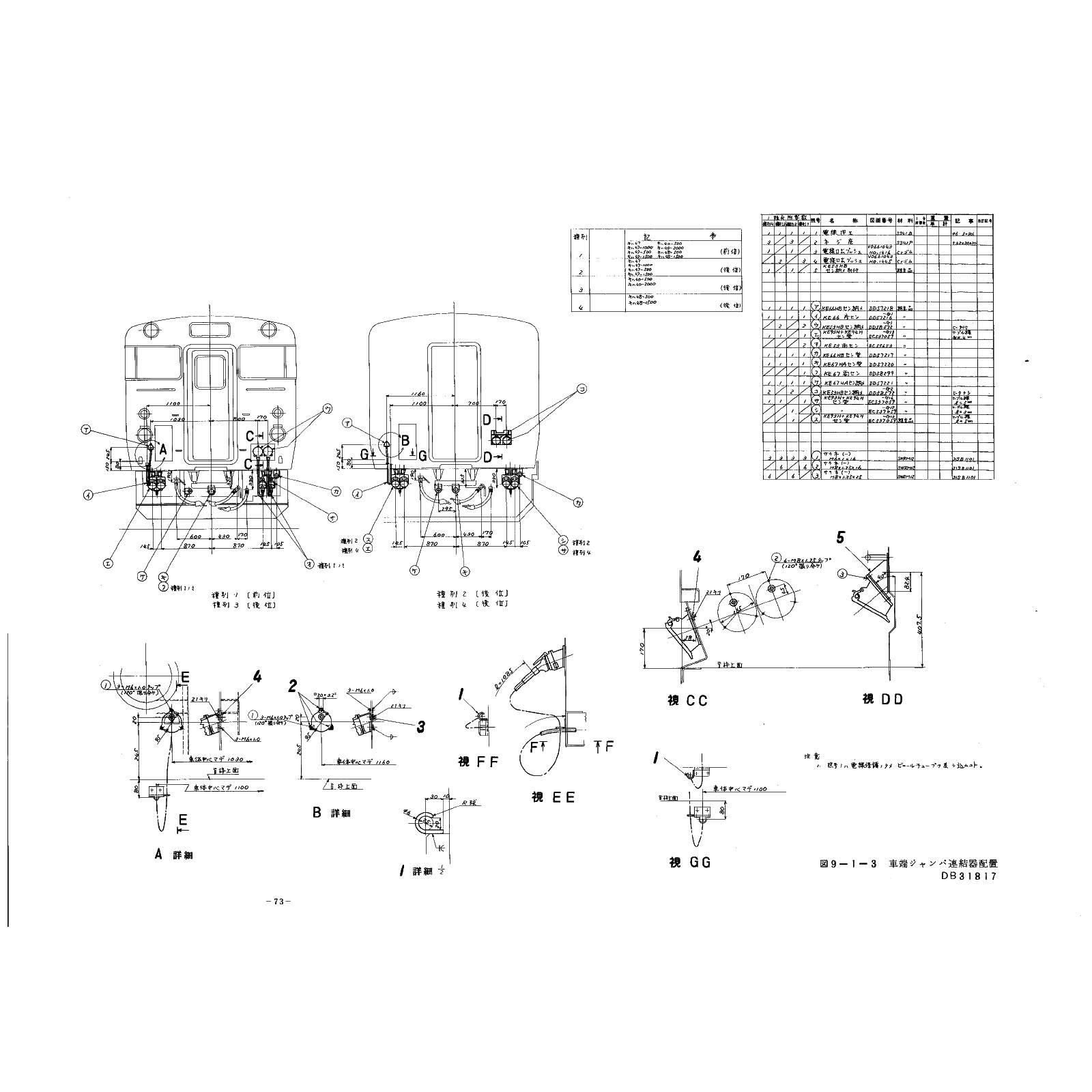
9章 ギ装
10章 運転準備及び取り扱い
製本方法
無製本
ステープラー製本
サーマル製本

カテゴリーから探す

コンテンツを見る