EF60台車図面 1966-3

2,640円(税240円)

無製本
ステープラー製本
サーマル製本
製本方法
購入数

下記商品を無製本で提供します。ステープラー製本・サーマル製本はオプションとなります。

タイトル : 「EF60形式電気機関車台車明細図」 
発行年月 : 1966年3月
発行元  : 国鉄車両設計事務所
元サイズ : A4縦・A3横
製本サイズ: A4縦
ページ数 : 214頁
掲載形式 : 
 EF6015〜129
 EF60501〜513

EF60形直流電気機関車は増大する貨物輸送量に対応するため10‰勾配で1200tけん引が出来る能力を要求されました。既に昭和33年度からED60やED61が製造されていましたが、D級では要求を満たすことができないため、主電動機などはED60等と同一のMT49ですがF級として生まれ変わりました。その後MT52形が誕生してEF65等が標準電気機関車となっていきますが、それまではEF60が直流区間の第一線電気機関車でした。
その台車に特化した資料となります。

■■■■ 構成
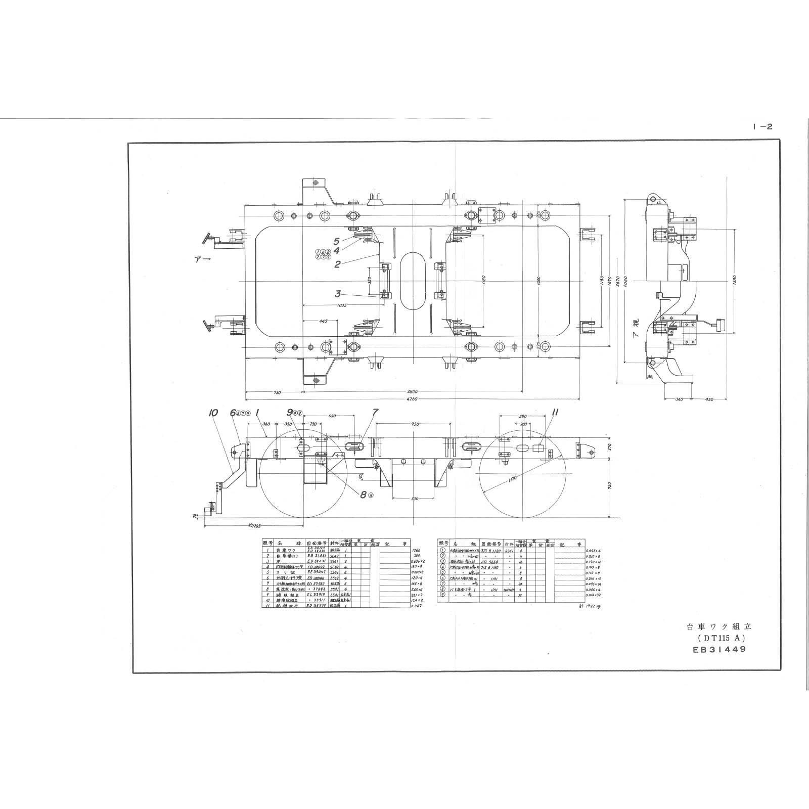
1章 DT115A台車
2章 DT116B台車
3章 走り装置
4章 防振ゴム入大歯車
5章 コロ軸箱(筒型ゴム軸箱モリ)
6章 砂マキ装置
7章 砂マキ器
8章 台車管装置
9章 フランジ塗油装置
10章 接地装置
製本方法
無製本
ステープラー製本
サーマル製本

カテゴリーから探す

コンテンツを見る