14系14形寝台客車説明書 1972-3

1,430円(税130円)

無製本
ステープラー製本
サーマル製本
製本方法
購入数

下記商品を無製本で提供します。ステープラー製本・サーマル製本はオプションとなります。

タイトル : 「特急形寝台・食堂客車説明書」 オロネ14・オシ14 (オハネ14・スハネフ14変更点)
発行年月 : 1972年3月
発行元  : 国鉄車両設計事務所
元サイズ : A4縦
製本サイズ: A4縦
ページ数 : 126頁
掲載形式 :
 オロネ14
 オシ14 
 スハネフ14
 オハネ14

1971年に先行作成したスハネフ14とオハネ14は好評で、本格的に特急として使うためにオロネ14とオシ14の両形式を作成することになった。
これで、現在分割の際に電源車を配置しておかねばならない不便さが解消されることとなります。
この説明書は、新規で設計したA寝台と食堂車の部分の追加説明書となっており、またオハネ14やスハネフ14についても設計変更点も記載されています。
ただ、基本的には1971年の14系寝台客車の説明書と付図との追加となりますので、この双方の説明書はお持ちいただく方がいいかと思います。

■■■■ 構成
(オロネ14・オシ14) 1章 はしがき
2章 概要
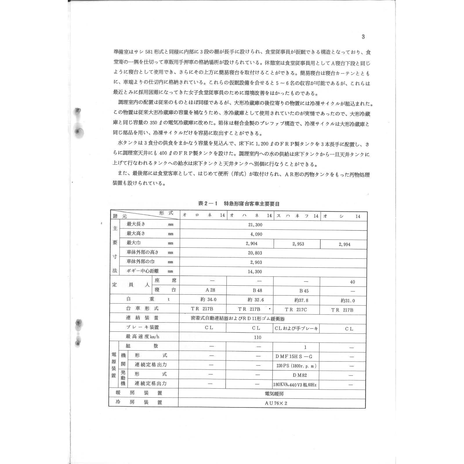
3章 車体
4章 台車
5章 電気回路ツナギ
6章 電気機器
7章 空気ブレーキ装置
8章 ぎ装

(オハネ14・スハネフ14変更点)
1章 はしがき
2章 概要
3章 車体
4章 台車
5章 電源用ディーゼル機関
6章 電気回路ツナギ
7章 電気機器
8章 空気ブレーキ装置
9章 ぎ装
製本方法
無製本
ステープラー製本
サーマル製本

カテゴリーから探す

コンテンツを見る